所(suǒ)屬分類:不鏽鋼法蘭
點擊(jī)次數:
關鍵(jiàn)詞:
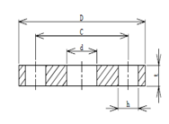
一:產品參數
產品名稱:5K承插焊接法蘭(鍛造)SOP
產品外觀:不鏽鋼金屬色(sè)
製造工(gōng)藝(yì):鍛(duàn)打+車削
二:尺寸規格