服務項目(mù)
您(nín)的位置:首頁 > 產品中心 > 不鏽鋼法蘭

不鏽鋼法蘭

螺紋法蘭 TR

螺(luó)紋(wén)法蘭 TR

所屬分(fèn)類:不鏽鋼(gāng)法(fǎ)蘭

點擊次數:

關(guān)鍵詞:

產品詳情

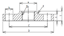
一:產品參數

產品名(míng)稱:10K螺(luó)紋法(fǎ)蘭(鍛造)TR

產品外觀(guān):不鏽鋼金(jīn)屬色

製造工藝:鍛打+車削


二:尺寸規格 


  QQ圖片20181203164945.png


     QQ圖片20181203170540.png

        10K.png


相關產品

相關新聞

91视频入口_91视频官网_91视频网址_www.91视频.com 91视频入口_91视频官网_91视频网址_www.91视频.com